ZAJV電動V型法蘭調節球閥PN16~PN40
ZAJV電動V型法蘭調節球閥PN16~PN40是一種芯閥座采用金屬,或金屬對聚四氟乙烯密封配合的旋轉球閥,它將球閥和蝶閥的最佳控制特性結合成一體,既可用作控制調節閥,又可作關斷切斷閥。
產品概述
ZAJV電動V型法蘭調節球閥PN16~PN40是一種芯閥座采用金屬,或金屬對聚四氟乙烯密封配合的旋轉球閥,它將球閥和蝶閥的最佳控制特性結合成一體,既可用作控制調節閥,又可作關斷切斷閥。
ZAJV電動V型球閥,由YXR、PSQ電動執行機構和V型球閥組成,是一種由V型切口球面閥板在小開度范圍內貼著密封面旋轉而控制流體的角行程調節閥。
電動V型球閥V型切口球面板在增大調節比的同時,在截流時對密封環還有剪切作用,因此適用于要求大調節比的控制系統,以及對含纖維質流體、料漿類流體的控制。
電動V型球閥 廣泛應用于石油、化工、電力、冶金、鋼鐵、造紙、醫藥、食品、紡織、輕工等行業。
技術參數
ZAJV電動V型法蘭調節球閥PN16~PN40主要技術參數
| 型式 | 直通兩體式鑄造 V 型球閥 DN25~200 直通整體式鑄造 V 型球閥 DN250~300 |
|---|---|
| 公稱通徑 | DN25、32、40、50、65、80、100、125、150、200、250、300 |
| 公稱壓力 | ANSI 150、300 Lb;JIS 10、20 K;PN1.6、2.5、4.0MPa |
| 連接形式 | 法蘭連接:RF、FM,標準按 ANSI B16.5;JIS B2201;HG20596(或 GB9113-2000) |
| 閥體材質 | WCB / SCPh3,WC6/ SCPh31,WC9/ SCPH32,CF8 / SCS13A, CF8M / SCS14A 閥體、閥內件材料的組合及工作溫度范圍請參閱表 1 |
| 使用溫度 | 常溫型:-29~+150℃ 高溫型:+150~+450℃ |
| 填料 | 常溫型:楔型聚四氟乙烯填料 高溫型:柔性石墨成型填料 |
| 與執行機構連接 | 符合 ISO 5211/1~5211/3-1982 |
| 閥芯型式 | V 型缺口閥芯 |
|---|---|
| 流量特性 | 近似等百分比性,請參照圖 2 |
| 流量系數 | 請參見表 2 |
| 閥內件材質 | 閥體、閥內件材料的組合及工作溫度范圍請參閱表 1 |
| 球芯轉角 | 90° |
執行機構標準規格
| 參數 | Unic-10 | Unic-20 | Unic-40 | Unic-60 | Unic-100 | Unic-150 |
|---|---|---|---|---|---|---|
| 輸出軸力矩 | 10kgf·m | 20kgf·m | 40kgf·m | 60kgf·m | 100kgf·m | 150kgf·m |
| 電源電壓 | 單相 AC100V、200V、220V,50/60Hz | |||||
| 動作范圍 | 0~90° | |||||
| 動作時間 | 30 秒/(50Hz 時) | 45 秒 | ||||
| 驅動馬達 | 20W | 30W | 90W | 90W | 100W | 100W |
| 保護裝置 | 過熱保護器(自動恢復型) | |||||
| 環境溫度 | -25~+55℃ | |||||
| 絕緣電阻 | 100MΩ(500V-DC) | |||||
| 耐壓值 | AC1500V 1 分鐘 | |||||
| 手動操作 | 用可卸式手柄操作 | |||||
| 限位元件 | 電動操作時:全開全閉極限開關;手動操作時:機械擋塊 | |||||
| 防水性 | 相當于 IP65 標準 | |||||
| 安裝狀態 | 可適應各種方向 | |||||
| 重量 | 4.5kg | 7.8kg | 8.5kg | 20kg | 21kg | 22kg |
| 本體材質 | 鋁合金壓鑄 | |||||
| 配線接口 | PF 1/2×2 塑料防水接頭 | |||||
KV值及流量特性
| 公稱通徑(mm) | 25 | 32 | 40 | 50 | 65 | 80 | 100 | 125 | 150 | 200 | 250 | 300 |
|---|---|---|---|---|---|---|---|---|---|---|---|---|
| 閥座直徑(mm) | 28 | 31 | 37 | 40 | 53 | 66 | 89 | 104 | 130 | 173 | 212 | 255 |
| 流量系數 Kv | 30 | 35 | 56 | 90 | 140 | 230 | 387 | 600 | 965 | 1567 | 2400 | 3900 |
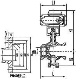
外形結構尺寸
| 公稱通徑(mm) | 外形尺寸(mm) | 執行機構 | 重量(kg) | ||||||||||||
|---|---|---|---|---|---|---|---|---|---|---|---|---|---|---|---|
| A | h1 | h3 | h3 | h4 | H1 | h3 | ФD | n×Фc | |||||||
| ① | ② | ① | ② | ① | ② | ① | ② | ||||||||
| 25 | 165 | 165 | 114 | 136 | 12 | 265 | 212 | 348 | 70 | 4×Ф10 | 4×Ф10 | Unic-10 | Unic-10 | 8.1 | 9.2 |
| 32 | 178 | 180 | 114 | 136 | 12 | 265 | 212 | 348 | 70 | 9.1 | 10.3 | ||||
| 40 | 165 | 190 | 152 | 176 | 15 | 305 | 257 | 386 | 70 | 12.5 | 15 | ||||
| 50 | 178 | 216 | 160 | 200 | 15 | 315 | 279 | 409 | 70 | 4×Ф12 | Unic-20 | 15 | 20.5 | ||
| 65 | 190 | 241 | 187 | 228 | 16 | 368 | 349 | 487 | 102 | 4×Ф12 | Unic-40 | Unic-40 | 25 | 30 | |
| 80 | 203 | 283 | 193 | 230 | 20 | 370 | 354 | 494 | 102 | 35 | 40.6 | ||||
| 100 | 305 | 305 | 209 | 250 | 16 | 390 | 393 | 533 | 102 | 4×Ф14 | 50 | 55 | |||
| 125 | 356 | 381 | 269 | 312 | 28 | 482 | 485 | 555 | 136×116 | 4×Ф14 | Unic-60 | Unic-100 | 103 | 113 | |
| 150 | 394 | 403 | 284 | 325 | 28 | 495 | 515 | 685 | 136×116 | Unic-100 | Unic-150 | 115 | 125 | ||
| 200 | 457 | 502 | 322 | 365 | 28 | 540 | 589 | 764 | 136×116 | Unic-150 | 165 | 170 | |||
| 250 | 533 | 568 | 460 | 530 | 36 | — | 815 | — | 165 | 4×Ф22 | 4×Ф22 | — | — | 185 | 200 |
| 300 | 610 | 648 | 475 | 565 | 36 | — | 875 | — | 165 | 205 | 220 | ||||
①壓力等級為 ANSI 150 Lb;JIS 10 K;PN1.6MPa
②壓力等級為 ANSI 300 Lb;JIS 20 K;PN2.5、4.0MP
尺寸圖

安裝注意事項
1.安裝施工必須小心,切忌撞擊閥門。
2.安裝前,應將球閥作一檢查,核對規格型號,鑒定有無損壞,尤其對于閥桿。還要轉動幾下,看是否歪斜,因為運輸過程中,最易撞歪閥桿。還要清除閥內的雜物。
3.球閥起吊時,繩子不要系在手輪或閥桿上,以免損壞這些部件,應該系在閥體上。
4.對于球閥所連接的管路,一定要清掃干凈。可用壓縮空氣吹去氧化鐵屑、泥砂、焊渣和其他雜物。這些雜物,不但容易擦傷球閥的密封面,其中大顆粒雜物(如焊渣),還能堵死小閥門,使其失效。
5.安裝時要留有閥柄旋轉的位置。6.球閥不能用作節流。 7.帶傳動機構的球閥應直立安裝。
|
||||||||||||||||||||||||
![]() |
||||||||||||||||||||||||
| ||||||||||||||||||||||||










