Q644F、Q645F-16C型氣動三通法蘭鑄鋼球閥
Q644F、Q645F-16C型氣動三通法蘭鑄鋼球閥可分為T型氣動三通球閥和L型氣動三通球閥。T型三通球閥能使三條正交的管道相互聯通和切斷第三條通道,起分流、合流作用。L型三通球閥只能連接相互正交的兩條管道,不能同時保持第三條管道的相互連通,只能起到分流作用。
產品概述
Q644F、Q645F-16C型氣動三通法蘭鑄鋼球閥可分為T型氣動三通球閥和L型氣動三通球閥。T型三通球閥能使三條正交的管道相互聯通和切斷第三條通道,起分流、合流作用。L型三通球閥只能連接相互正交的兩條管道,不能同時保持第三條管道的相互連通,只能起到分流作用。氣動三通球閥特點如下:
1、三通球閥一閥多用:任一通口可用作入口而無泄漏,三通既可制成L型通口,也可制成T型通口。
2、三通球閥在結構上采用一體化結枸,四面閥座的密封型式,法蘭連接少,可靠性高,設計實現了輕量化。
3、三通球閥結構緊湊、啟閉迅速、流道暢通、流體阻力小。
性能參數
| 公稱壓力 PN(MPa) | 試驗壓力 | ||
|---|---|---|---|
| 殼體 | 高壓液密封 | 低壓液密封 | |
| 1.6 | 2.4 | 1.76 | 0.6 |
| 2.5 | 3.75 | 2.75 | |
| 4.0 | 6.0 | 4.4 | |
| CLASS150 | 3.0 | 2.2 | |
| 適用工況 | 適用介質 | 水、油品、氣等非腐蝕介質和酸堿腐蝕介質 | |
| 適用溫度 | -28~350℃ | ||
| 應用規范 | 連接法蘭 | JB79-59 GB9113、 HG20592-97、 ANSI B16.5 | |
| 檢驗試驗 | JB/T 9092-99 、API598 | ||
零件材料
Q644F、Q645F-16C型氣動三通法蘭鑄鋼球閥主要零件材料
| 零件名稱 | 材質 | |
|---|---|---|
| GB | ASTM | |
| 閥體、閥蓋 | WCB | A216-WCB |
| 密封圈 | PTFE、對位聚苯 | PTFE、對位聚苯 |
| 球體 | 1Cr18Ni9Ti | SS 304 |
| 閥座、閥桿 | 2Cr13 | A246-416 |
| 雙頭螺栓 | 35CrMoA | A193-B7 |
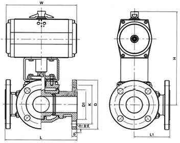
外形結構尺寸
| 型號 | 公稱通徑 DN(mm) | 尺寸(mm) | |||||||||
|---|---|---|---|---|---|---|---|---|---|---|---|
| L | L2 | D | D1 | D2 | b | f | Z-d | H | W | ||
Q644F-16 L型 | 15 | 150 | 72 | 95 | 65 | 45 | 14 | 2 | 4-14 | 95 | 130 |
| 20 | 160 | 80 | 105 | 75 | 55 | 14 | 2 | 4-14 | 110 | 130 | |
| 25 | 180 | 90 | 115 | 85 | 65 | 14 | 2 | 4-18 | 120 | 140 | |
| 32 | 200 | 100 | 135 | 100 | 78 | 16 | 2 | 4-18 | 144 | 180 | |
| 40 | 220 | 110 | 145 | 110 | 85 | 16 | 3 | 4-18 | 152 | 220 | |
| 50 | 240 | 120 | 160 | 125 | 100 | 16 | 3 | 4-23 | 182 | 220 | |
| 65 | 260 | 130 | 180 | 145 | 120 | 16 | 3 | 4-18 | 193 | 240 | |
| 80 | 280 | 140 | 195 | 160 | 135 | 20 | 3 | 8-18 | 217 | 270 | |
| 100 | 320 | 160 | 215 | 180 | 155 | 20 | 3 | 8-18 | 245 | 350 | |
| 125 | 380 | 190 | 245 | 210 | 185 | 22 | 3 | 8-18 | 282 | 500 | |
| 150 | 440 | 220 | 280 | 240 | 210 | 24 | 3 | 8-23 | 319 | 600 | |
| 200 | 550 | 260 | 335 | 295 | 265 | 26 | 3 | 12-23 | 380 | 1000 | |
| 250 | 670 | 310 | 405 | 355 | 320 | 30 | 3 | 12-25 | 460 | 1400 | |
| 300 | 720 | 370 | 460 | 410 | 375 | 30 | 3 | 12-25 | 520 | 1800 | |
| 型號 | 公稱通徑 DN(mm) | 尺寸(mm) | |||||||||
|---|---|---|---|---|---|---|---|---|---|---|---|
| L | L2 | D | D1 | D2 | b | f | Z-d | H | W | ||
Q645F-16 T型 | 15 | 150 | 72 | 95 | 65 | 45 | 14 | 2 | 4-14 | 95 | 130 |
| 20 | 160 | 80 | 105 | 75 | 55 | 14 | 2 | 4-14 | 110 | 130 | |
| 25 | 180 | 90 | 115 | 85 | 65 | 14 | 2 | 4-18 | 120 | 140 | |
| 32 | 200 | 100 | 135 | 100 | 78 | 16 | 2 | 4-18 | 144 | 180 | |
| 40 | 220 | 110 | 145 | 110 | 85 | 16 | 3 | 4-18 | 152 | 220 | |
| 50 | 240 | 120 | 160 | 125 | 100 | 16 | 3 | 4-23 | 182 | 240 | |
| 65 | 260 | 130 | 180 | 145 | 120 | 16 | 3 | 4-18 | 193 | 270 | |
| 80 | 280 | 140 | 195 | 160 | 135 | 20 | 3 | 8-18 | 217 | 350 | |
| 100 | 320 | 160 | 215 | 180 | 155 | 20 | 3 | 8-18 | 245 | 500 | |
| 125 | 380 | 190 | 245 | 210 | 185 | 22 | 3 | 8-18 | 282 | 600 | |
| 150 | 440 | 220 | 280 | 240 | 210 | 24 | 3 | 8-23 | 319 | 1000 | |
| 200 | 550 | 260 | 335 | 295 | 265 | 26 | 3 | 12-23 | 380 | 1300 | |
| 250 | 670 | 310 | 405 | 355 | 320 | 30 | 3 | 12-25 | 460 | 1700 | |
| 300 | 720 | 370 | 460 | 410 | 375 | 30 | 3 | 12-25 | 520 | 2100 | |
外形結構尺寸圖

維護
氣動球閥在安裝前的準備工作:
1、保證氣動管路球閥安裝位置管線在同軸位置上,管線上兩片法蘭應保持平行,確認管線能夠承受氣動管路球閥自身重量,如果發現管線不能承受氣動管路球閥重量,則在安裝前為管線配備相應的支撐。
2、確認管線內是否有雜質、焊渣等,必須要把管線內吹掃干凈。
3、核對氣動管路球閥銘牌,并對氣動管路球閥進行全開全閉數次操作,確認閥門能夠正常工作,再全面檢查一次閥門的各個細節,保證閥門完好無損。
4、除去閥門兩端的保護蓋,檢查閥體內是否干凈,清洗閥體內腔,由于氣動管路球閥的密封面是球形狀,即使微小的雜物也可能造成密封面的損傷。
氣動管路球閥的安裝:
1、氣動管路球閥的任何一段都可安裝在上游端,手柄氣動管路球閥可以安裝在管線的任何位置,如果配置執行機構(如齒輪箱、電-氣動執行器)的氣動管路球閥,則必須垂直安裝,閥門進出口處在水平位置上。
2、氣動管路球閥法蘭與管線法蘭間按管路設計要求裝上密封墊。
3、法蘭上的螺栓需對稱、逐次、均勻擰緊。
4、如果氣動管路球閥采取氣動、電動等執行器時,按說明書完成氣源、電源的安裝。
氣動管路球閥安裝后的檢查:
1、安裝完畢后,啟動氣動管路球閥開、關數次,應該動作靈活,受力均勻,氣動管路球閥工作正常。
2、根據管道壓力設計要求,通壓后檢測氣動管路球閥與管道法蘭結合面的密封性能。
|
||||||||||||||||||||||||
![]() |
||||||||||||||||||||||||
| ||||||||||||||||||||||||










