Q41M手動法蘭式高溫球閥
工開閥門設計Q41M手動法蘭式高溫球閥是采用新型密封材料為閥座,經同類產品聚四氟乙烯做密封的球閥,使用壽命提高了3-5倍。具有性能穩定、密封可靠、磨擦力小、開關 輕便、耐高溫、耐磨、耐油、耐腐蝕、使用壽命長等優點。
概述
工開閥門設計Q41M手動法蘭式高溫球閥是采用新型密封材料為閥座,經同類產品聚四氟乙烯做密封的球閥,使用壽命提高了3-5倍。具有性能穩定、密封可靠、磨擦力小、開關 輕便、耐高溫、耐磨、耐油、耐腐蝕、使用壽命長等優點,高溫球閥與截止閥、柱塞閥、排污閥,結構長度相符,擴大了球閥使用范圍,廣泛用于石油、 化工、橡膠、造紙、制藥等行業,可替代截止閥、柱塞閥、快速排污閥。適用介質:水、蒸汽、導熱油等酸類,使用溫度:≤350℃ 。
結構特點及作用原理
該型閥門中的球體、密封圈采用了特殊的加工工藝和最新密封材料,使球體表面粗糙度和圓度達到標準要求,從而提高了密封性能和使用壽命、耐高溫的能力。
順時板動手柄帶動閥桿驅動球體旋轉,使介質順利通過。
性能參數
| 型號 | 公稱壓力 (MPa) | 強度試驗壓力 (MPa) | 密封試驗壓 (MPa) | 適用溫度 (℃) | 適用介質 |
| Q41M/F-16C | 1.6 | 2.4 | 1.8 | -28~+300 (M/F) | 導熱油、水、蒸汽、氣體、 油品、硝酸類腐蝕性介質、 醋酸類腐蝕性介質 |
| Q41M/F-16C | 2.5 | 3.8 | 2.8 | -28~+350 (PPL) |
零部件材料

| 序號 | 零部件名稱 | 材料 |
| 1 | 閥體 | 球墨鑄鐵、碳素鋼、鑄不銹鋼 |
| 2 | 密封圈 | (M/F)高強度耐磨碳結石墨≤300℃ (PPL)對蒞聚苯、溫度≤350℃ |
| 3 | 球 | 不銹鋼 |
| 4 | 填料 | 聚四氟乙烯 |
| 5 | 填料壓蓋 | QT450-10球墨鑄鐵 |
| 6 | 閥桿 | 碳素鋼、鉻不銹鋼 |
| 7 | 手柄 | 碳鋼 |
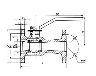
連接尺寸
| 型號 | 規格 | 尺寸 | ||||||
| L | D | D1 | D2 | z-φd | H | b | ||
| Q41M-16 | 15 | 130 | 95 | 65 | 45 | 4-14 | 85 | 14 |
| 20 | 150 | 105 | 75 | 55 | 4-14 | 95 | 16 | |
| 25 | 160 | 115 | 85 | 65 | 4-14 | 103 | 16 | |
| 32 | 180 | 135 | 100 | 78 | 4-18 | 105 | 18 | |
| 40 | 200 | 145 | 110 | 85 | 4-18 | 120 | 18 | |
| 50 | 230 | 160 | 125 | 100 | 4-18 | 195 | 20 | |
| 65 | 290 | 180 | 145 | 120 | 4-18 | 195 | 20 | |
| 80 | 310 | 195 | 160 | 135 | 8-18 | 215 | 22 | |
| 100 | 350 | 215 | 180 | 155 | 8-18 | 253 | 24 | |
|
||||||||||||||||||||||||
![]() |
||||||||||||||||||||||||
| ||||||||||||||||||||||||










